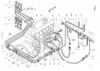
Je nach Baujahr gehen da zum Tank Rohre oder Schläuche, die meist mit ner Ringöse enden (Hohlschraube).
Im Tank sind dann zwei Rohre, ein kurzes, wo die Rücklaufleitung drankommt und ein langes, das Saugrohr. Meist gibts unten noch ne Ablassschraube, die an der stelle sitzen sollte wo das Saugrohr endet. Manche Tanks haben noch eine kleines Sieb am Saugrohr. Das kann auch schon mal verstopfen.
Dann noch an die zwei kabel vom Tankuhrgeber denken...
Setra 208 - Dieseltank ausbauen
- Stefan
- Administrator
- Beiträge: 728
- Registriert: 02.09.2004, 08:59
- Wohnort: Püttlingen / Saar
- Kontaktdaten:
Re: Setra 208 - Dieseltank ausbauen
Stefan Lay
---
Setra - das beste Wort für Omnibus...
---
Setra - das beste Wort für Omnibus...
Re: Setra 208 - Dieseltank ausbauen
Die 3 Leitungen außerhalb sind soweit klar (sind wie Du schreibst Rohre mit Ringöse und Hohlschraube).
Eines geht zur Kraftstoffpumpe und zwei sind Rückläufe (von Einspritzpumpe und Zylinderkopf).
Mir ging es mehr um die Weiterführung im Tank. Aber vielleicht bekomme ich ihn heute raus, dann kann ich das über das Loch für den Geber prüfen.
Bis dato bekomme ich die Schrauben unten nicht raus. Mit Hitze kann ich da nicht ran, weil Gummibänder drin sind. Muss hoffen das der Rostlöser seine Arbeit über Nacht getan hat.
Eines geht zur Kraftstoffpumpe und zwei sind Rückläufe (von Einspritzpumpe und Zylinderkopf).
Mir ging es mehr um die Weiterführung im Tank. Aber vielleicht bekomme ich ihn heute raus, dann kann ich das über das Loch für den Geber prüfen.
Bis dato bekomme ich die Schrauben unten nicht raus. Mit Hitze kann ich da nicht ran, weil Gummibänder drin sind. Muss hoffen das der Rostlöser seine Arbeit über Nacht getan hat.
Re: Setra 208 - Dieseltank ausbauen
Hallo,
Tank ist raus! Ein Dreck ist da drin ... fast ein Wunder, dass ich damit noch nach Hause gekommen bin.
Leider sieht man aber nicht gut rein, wie die Rohre innen liegen, weil die werden hinter die erste Schallwand geführt und gehen dann dort erst runter.
Deswegen sicherheitshalber noch eine Frage, nicht dass ich dem Tankbauer was Falsches sage: Der mittlere der drei Anschlüsse ist der Anschluss zur Kraftstoffpumpe (und muss also bis kurz über den Boden) und die beiden äußeren sind Rückläufe - Korrekt? Wie weit gehen die Rückläufe normalerweise in den Tank runter? Nur ganz wenig oder auf die Hälfte oder auch bis kurz vor Boden?
Danke
Florian
Tank ist raus! Ein Dreck ist da drin ... fast ein Wunder, dass ich damit noch nach Hause gekommen bin.
Leider sieht man aber nicht gut rein, wie die Rohre innen liegen, weil die werden hinter die erste Schallwand geführt und gehen dann dort erst runter.
Deswegen sicherheitshalber noch eine Frage, nicht dass ich dem Tankbauer was Falsches sage: Der mittlere der drei Anschlüsse ist der Anschluss zur Kraftstoffpumpe (und muss also bis kurz über den Boden) und die beiden äußeren sind Rückläufe - Korrekt? Wie weit gehen die Rückläufe normalerweise in den Tank runter? Nur ganz wenig oder auf die Hälfte oder auch bis kurz vor Boden?
Danke
Florian
- Stefan
- Administrator
- Beiträge: 728
- Registriert: 02.09.2004, 08:59
- Wohnort: Püttlingen / Saar
- Kontaktdaten:
Re: Setra 208 - Dieseltank ausbauen
Is eigentlich egal, es gibt Tanks da gibts für Rücklauf gar kein Rohr, manche sind so 20 cm. Bis auf den Boden kenn ich keine.
Wenn dus genau wissen willst und den Tank nicht mehr verwenden willst, schau mal rein (Flex oder endoskop)
Wenn dus genau wissen willst und den Tank nicht mehr verwenden willst, schau mal rein (Flex oder endoskop)
Stefan Lay
---
Setra - das beste Wort für Omnibus...
---
Setra - das beste Wort für Omnibus...